Electromagnetic Flowmeter - EFM-115
? Continuous measurement of current flow, positive and negative flow
? DN 15 - 200 mm flanged type
? Robust and resistant cover of sensor and transmitter
? Easy change from compact to remote version
? Flow direction indication
? Universal power supply
? Maximum Pressure: 1.6 MPa
? Protection class: IP67
- Quantity:
- - +
Product Specification
EFM-115 Electromagnetic Flowmeter Description
? Continuous measurement of current flow, positive and negative flow
? DN 15 - 200 mm flanged type
? Robust and resistant cover of sensor and transmitter
? Easy change from compact to remote version
? Flow direction indication
? Universal power supply
The Electromagnetic flowmeter EFM-115 is precise measuring device intended for the measurement of liquid flow of electrically conductive media. The meters may be used for measurements, registration, dosing, mixing, etc. The measurement is based on the principle of Lorentz law. In compliance with this law, electric voltage is induced in an electrically conductive body, which moves across a magnetic field.
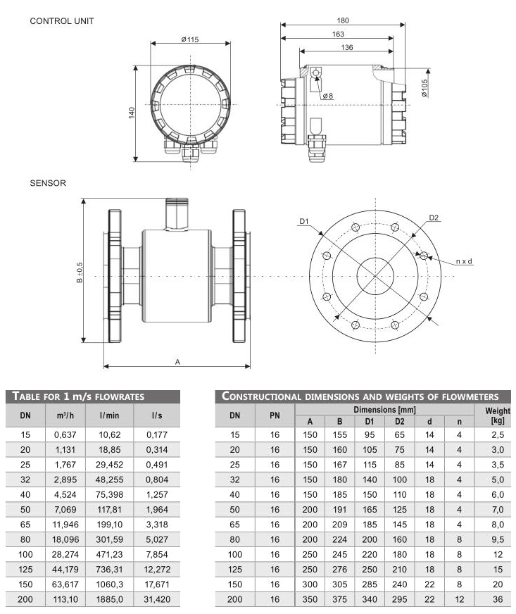
EFM-115 Electromagnetic Flowmeter Dimensions Drawings

EFM-115 Electromagnetic Flowmeter Technical Data - Sensor
|
Nominal size |
DN 15 ... 200 mm |
|
Flange type |
DIN 2576-PN-16 |
|
Connecting cable |
Standard 0.5 m / 2 x 2 x 0.25 mm2 |
|
Coils excitation |
Pulse DC |
|
Isolation class of coils excitation |
E |
|
Process connection |
Flanged DIN |
|
Maximum Pressure |
1.6 MPa |
|
Protection class |
IP67 |
|
Liner material / Temperature |
Hard rubber / - 5°C ... +90°C |
|
Electrodes material |
Stainless steel 316Ti |
|
Outer casing flanges / Flow tube material |
Carbon steel standard / Stainless steel 321 |
|
External coating |
Acrymetal multi component lacguer |
|
Ambient temperature range |
-20°C ... +50°C |
EFM-115 Electromagnetic Flowmeter Technical Data - Control unit
|
Medium electrical conductivity |
> 5 μS/cm, for demineralized water > 20 μS/cm |
|
Electrode impedance input |
> 10 10 Ω |
|
Flowrate |
Min. 0.3 m/s; max. 12 m/s |
|
Measurement accuracy |
0.3 % of reading, while flow is within 10 ... 100% of range |
|
Flow filter |
Multi-mode adjustment |
|
Low flow rejection |
Adjustable in steps of 0.1 % |
|
Flow direction |
Bi-directional measurement is distinguished by sign |
|
Zero flow |
Automatic zero point setting |
|
Data logger |
4 months capacity (average 5 min. current flowrates) |
|
Display / Resolution |
Alphanumeric OLED / 2 x 16 characters, with backlight |
|
Analog output – Active galvanically separated |
4(0) ... 20 mA / 500 Ω |
|
Frequency output – Passive galvanically separated |
0 ... 1 kHz / 0 ... 100 % from flow rate range; 8.2 ... 10 kΩ Max 24 V DC |
|
Binary outputs |
1 ... 4x relays, non-voltage contact, non-inductive load 250V AC (30V DC)/3A |
|
Communication outputs |
RS-485 / Modbus RTU, galvanically separated |
|
Cable outlets |
3x PG 11, Power supply cable Max. 3x 1.5 mm2 |
|
Power supply |
85 ... 260 V AC / 50 ... 60 Hz; 9 ... 36 V DC |
|
Power consumption |
10 VA |
|
Fuse (internal) |
630 mA |
|
Protection class |
IP 67 |
|
Ambient temperature range |
-20o C ... +50oC |
|
Weight |
2.6 kg |
|
Housing material |
Aluminium alloy |
|
External coating |
Powder coating |
EFM-115 Electromagnetic Flowmeter Order Code

EFM-115 Electromagnetic Flowmeter Correct specification examples
(DN40) Nominal size 40 mm; (R3) Binary output 3 pcs of relay; (0) standard version without communication; (230) Supply voltage 85 ... 260 V AC
EFM-115-DN125-R1-M-24V
(DN115) Nominal size 125 mm; (R1) Binary output 1 pcs of relay; (M) communication RS 485 / Modbus RTU; (24) Supply voltage 9 ... 36 V DC
If you cannot find what you want, you can entrust ISweek to source for you. Just click:
Sourcing ServiceRecommended Products
-
MF4000 Series Gas Flow Meters
-
Gas Mass Flow Meters
-
MF5200 Series Oxygen Flow Meters
-
MF5600 Series Detachable Display Gas Flow Meters
-
MF5700 Series Protable Gas Flow Meters
-
Digital Oxygen Flow Meters
-
In-line Mass Flow Meters
-
Insertion Mass Flow Meters
-
Low Pressure Mass Flow Meters
-
Mass Flowmeter for Gases


