Liquid level sensor - M12-I
High performance modulated sensor ASIC ensures high noise immunity
High response time: 1ms
Built in Power on delay prevent false output as sensor powering up
Rejection of ambient/DC light/interference using with advanced modulation scheme and built in digital filter
Selectable Light on / dark on Mode
- Quantity:
- - +
Product Specification
Features
-
High performance modulated sensor ASIC ensures high noise immunity
- High response time: 1ms
- Built in Power on delay prevent false output as sensor powering up
- Rejection of ambient/DC light/interference using with advanced modulation scheme and built in digital filter
- Selectable Light on / dark on Mode
- Polysulfone or 316 stainless steel with glass lens for high chemical resistance to most acids
- IP67
Specifications
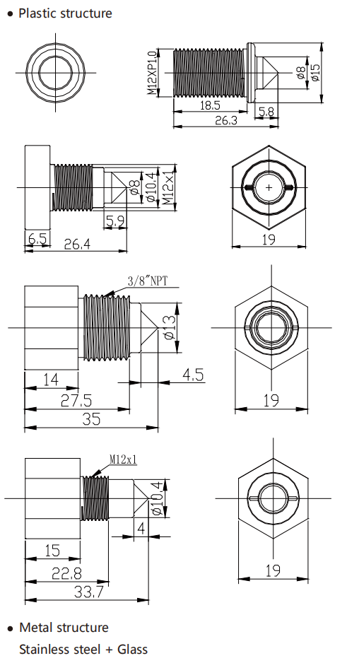
Dimension
If you cannot find what you want, you can entrust ISweek to source for you. Just click:
Sourcing ServiceRecommended Products
-
Optomax Digital Series Liquid Level Sensors
-
High Performance Liquid Level Sensors
-
POS Glass Tip Range of Liquid Level Switches
-
Optomax Basic Series Liquid Level Sensors
-
Optomax Digital Series Liquid Level Sensors
-
Optomax Digital Series Liquid Level Sensors
-
Optomax Digital Series Liquid Level Sensors
-
Optomax Industrial Series Optical Liquid Level Sensors
-
LLE Series Liquid Level Sensors
-
LLE Series Liquid Level Sensors

